Charred wood reveals maximum age of newly discovered Hiawatha impact crater in Greenland

New Geology study using a set of unusual methods shows that the Hiawatha crater discovered in 2018 is the youngest of the 25 large impact structures known on Earth.

The news went around the world, when a Danish and international research team led by Kurt Kjær at the Globe institute at University of Copenhagen published their discovery of a new, large impact crater in northwest Greenland in November 2018. The 31-km wide structure is buried under the Greenland Ice Sheet behind a glacier named Hiawatha. Therefore, this also became the name of the crater. The scientists found that the crater must be very young, seen from a geological perspective, but not precisely how young.

Now, a new study from the group, published in The Geological Society of America’s journal Geology, reveals that the crater must almost certainly be younger than 3 million years old, which makes it the youngest of Earth’s 25 large impact craters.

Adam Garde, the first author of the new study and emeritus scientist at the Geological Survey of Denmark and Greenland (GEUS), explains that “the cellular structures of the charred wood that we recovered in outwash from the hidden crater contained an unexpected clue to the young age of the impact.”

Exploded wood cells

According to Adam Garde, “The maximum age of the Hiawatha crater was determined in a rather untraditional way,” but this was also quite elegant.

“One of my coauthors Jette Dahl-Møller and I investigated the cell structures in the charred wood under the microscope. We could see that some of the bark cells were full of large, spherical voids and had been greatly expanded, as if the fatty material in these cells had been vaporized by extreme and rapid heating.”

“We also found many small grains of shock-melted glass, which both contained fragments of shocked minerals and a lot of finely dispersed organic material. This could not have been incorporated into the glass unless is also itself had been shocked, disintegrated and mixed with the molten rock from the impact.”

With support from other types of analysis of the organic material, the scientists were eventually convinced that the charred wood stemmed from the impact and not from natural wildfires, which could be an alternative explanation for the charring.

Identification of the wood

The researchers also found out that from preserved cell structures in the charred wood that it stems from conifer trees such as pine, spruce and perhaps larch.

“Today, no conifer trees can grow in the northernmost parts of Greenland at about 80 degrees north, but remnants of thin conifer forests are known from two warmer periods at 2.4 and 3 million years ago, and the meteorite impact therefore took place at or after this time,” Adam Garde explains.

He elaborates that actually, there has also been conifer vegetation in North Greenland during still older warm periods several million years ago, but any organic remains from those much older forests would have been much more downgraded than the wood recovered from the crater.

Searching for exact age

In the first paper from 2018 that described the discovery of the Hiawatha crater, the authors suggested a very young age of the impact, not least because the internal layering of the Greenland Ice Sheet is strongly disturbed precisely where it covers the crater. However, it was difficult to argue for a precise age.

According to the authors, “Now, with the identification of conifer charcoal, we can at least determine a maximum age with confidence, although an exact age determination is still missing.”

“Perhaps we now have some new means of obtaining not only a maximum age but also an absolute age. In the coming months we will try to analyze the trace uranium and lead contents of some highly shocked minerals, which we have discovered in material collected last summer. This may yield an absolute, so-called radiometric age of the impact,” says the first author.

Adam Garde further explains that if the impact crater is in fact very young, it can be used in climate research.

“If the age of the crater overlaps with the age of ice cores from the Greenland Ice Sheet, it will be possible to study how such a large impact might affect the Earth’s climate. Such information is potentially hidden in the ice cores, which cover a time span up to about 100,000 years back in time. But this requires much more precise information of the age of the crater than we have at present.”

The study

The study is published in the journal Geology and is based on collaboration between scientists at the Geological Survey of Denmark and Greenland, the Globe Institute (University of Copenhagen), the Institute of Geoscience (Aarhus University) and the Alfred Wegener Institute, Germany.

Pleistocene organic matter modified by the Hiawatha impact, northwest Greenland

Adam A. Garde et al.

URL: https://pubs.geoscienceworld.org/gsa/geology/article/doi/10.1130/G47432.1/586763/Pleistocene-organic-matter-modified-by-the

The discovery of the Hiawatha impact crater was published in ScienceAdvances in 2018 and was nominated the same year by Science magazine for the most important scientific discovery of the year. Read the 2018 article here: https://advances.sciencemag.org/content/4/11/eaar8173/

Contact

Adam Garde

Emeritus, Geological Survey of Denmark and Greenland (GEUS)

Telephone (+45) 50551135

E-mail aag@geus.dk

GEOLOGY articles are online at http://geology.geoscienceworld.org/content/early/recent . Representatives of the media may obtain complimentary articles by contacting Kea Giles at the e-mail address above. Please discuss articles of interest with the authors before publishing stories on their work, and please make reference to GEOLOGY in articles published. Non-media requests for articles may be directed to GSA Sales and Service, gsaservice@geosociety.org.

https://www.geosociety.org

# # #

For Immediate Release
29 May 2020
GSA Release No. 20-16

Contact:
Kea Giles
+1-303-357-1057

sample collection Garde
K.H. Kjær collecting samples in front of the Hiawatha glacier that covers the crater. In the samples, the researchers found charred wood from conifers. Photo credit: S. Funder.

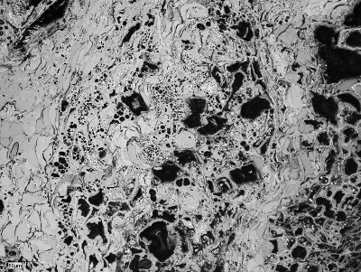
thin section
Thin section of conifer bark cells under microscope. The black areas are expanded cells that point to intense heat from the impact. Photo credit: Adam Garde.

charred wood debris Garde
The charred wood was present at various scales, here some of the larger ones sitting on the ground just next to the where the team landed in their helicopter. Photo credit: S. Funder.

study location
Study location.